Flug Motor OS FS Alpha-155-P (25,36cm³, mit Schalldämpfer)
Artikel wird auf Kundenwunsch produz/bestellt
Lieferzeit: 4-8 Wochen (March 2026)
Artikelbeschreibung
Der FS Alpha-155-P ist ein Einzylinder-Viertaktmotor mit Überkopfventilen der Alpha-Serie von O.S., der
mit einem Kraftstoffpumpensystem ausgestattet ist.
Er bietet ein breites Leistungsspektrum für eine Vielzahl von Modelltypen. Die für größere Modelle
entwickelte PD-08-Pumpe und der im Regler integrierte 70R-Vergaser gewährleisten eine stabile
Kraftstoffzufuhr unabhängig von der Modelllage und der Änderung des Kraftstoffstands. Der Motor eignet sich
nicht nur für 120er-Modelle und Sportmodelle, sondern auch für Kunstflugmodelle, die eine stabile Leistung
und eine lineare Gasannahme erfordern. Das O.S.-Pump-System ist einfach zu handhaben, da es den Vergaser
direkt mit Kraftstoff versorgt, ohne den Kraftstofftank unter Druck zu setzen. (Den Kraftstofftank unbedingt
entlüften.) Durch das neue Schmiersystem ist kein Entlüftungsschlauch mehr vom Kurbelgehäuse erforderlich.
Der Schalldämpfer F-6020 und die Glühkerze Typ F werden standardmäßig mitgeliefert.
Technische Daten:
- Hubraum [cm³]: 25,36
- Bohrung [mm]: 33,6
- Hub [mm]: 28,6
- Leistung bei 10.000U/min [PS)]: 2,64
- Drehzahlbereich ca. [U/min]: 2.000-10.000
- Gewicht Motor [g]: 805
- Gewicht Schalldämpfer [g]: 95
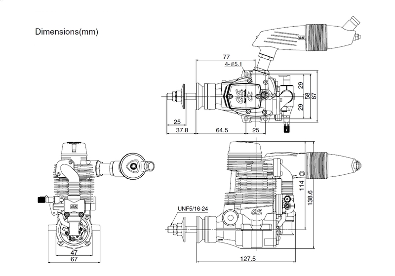
- Abmessungen: siehe Bild
- Vergaser: 70R
Empfohlene Luftschrauben:
- Super Nylon Luftschraube 16x8" (Bestell-Nr. SKT-2042.16x8)
- Nylon Extra Luftschraube 16x10" (Bestell-Nr. SKT-2051.16x10)
- Nylon Extra Luftschraube 16x12" (Bestell-Nr. SKT-2051.16x12)
- CAMcarbon Power-Prop 17x10" (Bestell-Nr. AEN-722680)
ACHTUNG: Nicht für Kinder unter 14 Jahren geeignet. Benutzung unter unmittelbarer Aufsicht von Erwachsenen.
O.S.ENGINES Mfg.Co.,Ltd
6-15, 3-Chome Imagawa Higashisumiyoshi-ku
Osaka 546-0003
Japan
eMail: e-info@os-engines.co.jp
Minicars Hobby Distribution AB
Annelundsgatan 17C
749 40 Enköping
Schweden
eMail: info@minicars.se
























